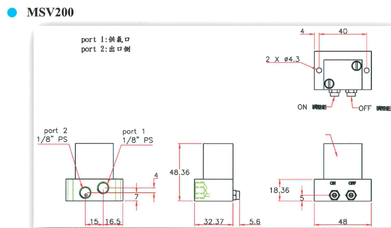
空氣節省模組 MSV200. 能產生脈衝間隔的氣流 . 壓縮空氣隨著開關脈衝信號而間斷吹出 . 當氣流被切斷時,自然沒有空氣消耗目錄下載2D資訊3D資訊目錄下載doc021070202304271553412D資訊3D資訊 大幅降低工廠壓縮空氣消耗量 大幅提高吹拭的效能相關商品 機械閥 機械閥 三口電磁閥 三口電磁閥 方向控制閥 快速排氣閥 QE 五口電磁閥 五口二位單線圈電磁閥